RML 25, 30, 35

Pompe per vuoto lubrificate RML 25, 30, 35

Sono pompe per vuoto rotative a palette, lubrificate con ricircolo d’olio, con portata d’aspirazione di 25, 30 e 35 m3/h. 

Caratterizzate da una semplicità costruttiva, sono robuste e ben raffreddate. 

La lubrificazione è regolabile tramite due oliatori a goccia posti in corrispondenza dei cuscinetti di supporto.

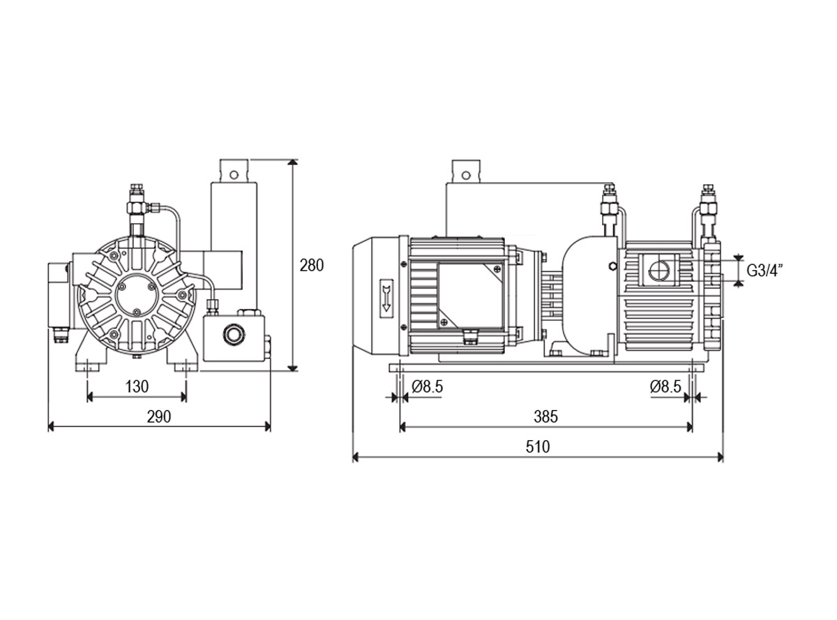
Il rotore e l’albero della pompa sono un unico pezzo, supportato da cuscinetti indipendenti, alloggiati nelle due flange di chiusura della pompa. Pompa e motore elettrico sono così due unità indipendenti, fissate ad un apposito supporto, collegate tra loro tramite un giunto di trasmissione elastico.

Le pompe serie RMS e RML sono fornite con motori elettrici monofase o trifase (con certificazione UL-CSA). 

A richiesta, le pompe possono essere fornite con motori a norme ATEX, con tensioni e frequenze speciali, oppure senza motore.

La pompa è raffreddata da una ventola radiale posta tra il motore e la pompa.

Sullo scarico della pompa è installato un serbatoio per il recupero dell’olio, contenente un filtro separatore che impedisce la formazione di nebbie d’olio e riduce la rumorosità.

Uso e installazione

L’impiego di queste pompe risulta essenziale quando nel fluido da aspirare sono presenti vapori di solventi, condense d’acqua o qualsiasi altra sostanza che possa inquinare l’olio lubrificante.

Per l’installazione delle pompe per vuoto OMMER, è sufficiente effettuare il collegamento al circuito del vuoto e predisporre il collegamento elettrico al motore. 

Si prega di verificare il corretto senso di rotazione della pompa.


Mettiti in contatto

Contattaci per maggiori informazioni o richiedere un preventivo gratuito.

Il nostro team è pronto ad offrirti assistenza personalizzata per individuare la soluzione più adatta alle tue esigenze produttive. Per consulenza tecnica, assistenza pre o post-vendita o semplice curiosità, siamo sempre a tua disposizione.

Richiedi informazioni

Compila il form qui sotto e verrai ricontattato al più presto.